AmetekHaydonKerk AmetekAMS
Skip to content

Size 17 43mm Double Stack

Size 17 Double Stack Stepper Motor Linear Actuator
The Size 17 double stack by Haydon Kerk Motion Solutions is a 43mm stepper motor linear actuator.  Size 17, 43000 double stack series linear actuators are available in three designs - captive, non-captive and external linear versions.  Available in a variety of resolutions, ranging from 0.001524mm to 0.048768mm per step.  The size 17 double stack series stepper motor linear actuator delivers force of up to 75 lbs (337N).  Typical applications include medical equipment, semiconductor handling, valve control, X-Y tables, hand held instruments, or wherever precise linear motion is required.

Additional Videos:
IDEA Drive Product Spotlight
Introduction to the IDEA Drive
  • Specifications +


    Part No. Captive 43M4(X)-V
    Non-captive 43L4(X)-V
    External Lin. E43M4(X)-V
    Wiring Units Bipolar
    Step Angle
    Degree 1.8°
    Winding Voltage VDC 2.33 5 12
    Current/Phase A rms 2.6 1.3 0.55
    Resistance/Phase ohms () 0.9 3.8 21.9
    Inductance/Phase mH 1.33 8.21 45.1
    Power Input Watts 13.2
    Rotor Inertia gcm2 78
    Insulation Class Class B (Class F available)
    Weight oz (g) 12.5( 352)
    Insulation resistance M() 20
    Standard motors are Class B rated for a maximum temperature of 130°C (155°C for Class F)


    Linear Travel / Step
    Screw Ø inches mm Code ID
    0.250" (6.35 mm) 0.000625 0.0158* B
    0.00125 0.0317* C
    0.0025 0.0635 Y
    0.00375 0.0953 AG
    0.005 0.127 Z
    *Values truncated
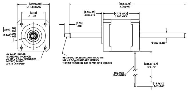
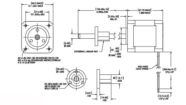
  • Dimensional Drawings +


    Please note: Metric numbers are for reference only.

    CAPTIVE STEPPER MOTOR

    Size 17 Double Stack Series 43000
    Captive Lead-Screw Linear Actuator

      






    NON-CAPTIVE STEPPER MOTOR

    Size 17 Double Stack Series 43000 Non-Captive Linear Actuator
      







    EXTERNAL STEPPER MOTOR

    Size 17 Double Stack Series 43000 External Linear Actuator







  • Performance Curves +


    FORCE vs. PULSE RATE
    Chopper, Bipolar, 100% Duty Cycle, Ø .250 (6.35) Lead Screw
    8:1 Motor Coil to Drive Supply Voltage



    FORCE vs. LINEAR VELOCITY
    Chopper, Bipolar, 100% Duty Cycle, Ø .250 (6.35) Lead Screw
    8:1 Motor Coil to Drive Supply Voltage



    NOTE:  All chopper drive curves were created with a 5 volt motor and a 40 volt power supply.

    Ramping can increase the performance of a motor either by increasing the top speed or getting a heavier load accelerated up to speed faster.  Also, deceleration can be used to stop the motor without overshoot.

    With L/R drives peak force and speeds are reduced, using a unipolar drive will yield a further 30% force reduction.
  • Lubrication Options +


    Haydon® Super Slick Greases

    Haydon offers a wide selection of greases designed to meet any application requirements.  Please contact Haydon Kerk Motion Solutions for assistance in selecting the most effective lubrication option.

    Grease Type Chemical Compatibility Temp. Range Comments Cost
    HSS-03 Polyolester Good -54°C to +150°C
    Moderate Load
    $
    HSS-17 Synthetic Hydrocarbon Good -20°C to +125°C Standard $
    HSS-06 Perfluoropolyether Best -65°C to +250°C Tough Environments $$
    HSS-16 Perfluoropolyether Better -80°C to +204°C Vacuum compatible $$$
    HSS-20 Perfluoropolyether Best -65°C to +250°C High Repeatability $$$

    HSS-03

    is a light viscosity, polyolester based grease thickened with PTFE.  It is an economical alternative to premium PFPE (perfluoropolyether) types where low temperature performance is a primary requirement as it provides low starting torque.

    HSS-17

    is a medium viscosity synthetic hydrocarbon grease thickened with lithium soap.  It is fortified with EP (extreme pressure) modifiers to increase load carrying capabilities and TFE to increase lubricity and reduce friction.  Rated temperature capacity is -20°C to +125°C. HSS-17 has the highest load characteristics.

    HSS-06

    is a TFE thickened heavy viscosity perfluoropolyether grease.  It is designed to operate in chemically harsh environments and provides excellent operating properties for light to medium loads.  Rated temperature capacity is -65°C to +250°C. Standard on Hybrid Actuators.

    HSS-16

    is a perfluoropolyether grease developed for use in vacuum environments good to 4x10–13 torr at 20°C.  Rated temperature capacity is -80°C to +204°C.

    HSS-20

    is an ultrafiltered version of HSS-06, meaning that the grease it put through a ‘cleaning’ process to remove any particles greater than 35 microns in size.  It is designed for use when accuracy and repeatability are of utmost concern.

    Black Ice® and Kerkote® TFE Coatings

    Black Ice and Kerkote TFE coatings are available in some of our actuator designs depending on the nut polymer used.  Please consult the applications engineering team to discuss lead screw nut / TFE coating compatibility.  

  • Integrated Drives +


    Please note: Metric numbers are for reference only.

    43000 SERIES SIZE 17 HYBRID LINEAR ACTUATORS WITH INTEGRATED IDEA DRIVE


    The 43000 Series Double Stack linear actuator is available in a wide variety of resolutions - from 0.000625-in (.0158 mm) per step to 0.005-in (.127 mm ) per step. Delivers output force of up to 75 lbs (337N).
    • Programmable 43000 Series Linear Actuator with IDEA Stepper Motor Controller and Drive
    • Fully programmable.
    • RoHS compliant
    • USB or RS-485 Communication.
    • Microstepping Capability - Full, 1/2, 1/4, 1/8, 1/16, 1/32, 1/64 .
    • Graphic User Interface.
    • Auto-population of Drive Parameters.
    • Programmable Acceleration/Deceleration and Current Control

    For general IDEA Drive Features and Specifications click here.

    Part No. Captive 43MG(X)-V
    Non-captive 43LG(X)-V
    External Lin. E43MG(X)-V
    Wiring Units Bipolar
    Winding voltage VDC 2.33**
    ** Contact Haydon Kerk if a higher voltage motor is desired.

    Linear Travel / Step
    Screw Ø inches mm Code ID
    0.250" (6.35 mm) 0.000625 0.0158* B
    0.00125 0.0317* C
    0.0025 0.0635* Y
    0.00375 0.0953* AG
    0.005 0.127* Z
    * Values Truncated

     Captive Dimensions

    Captive Stepper
     Non-Captive Dimensions

    Non-Captive Linear Actuator
     External Dimensions

    External Actuator
  • Integrated Connectors +



    Click here to download Integrated Connectors
  • Home Position Switch and Proximity Sensor +


     Home Position Switch
    Haydon offers a mechanical home position switch capable of monitoring the end position of Can-Stack and Hybrid captive linear actuators.The home position switch mounts on the rear sleeve of Haydon’s captive linear motors. This allows the user to identify start, stop or home positions of the actuator.Depending on your preference, contacts can be normally open or normally closed. The contact closure is repeatable to within one step position, identifying linear movements as low as 0.0005" (0.0013 cm) per step. Multiple contact switches are also available.The switch allows device manufacturers the ability to monitor movements more precisely for greater control and improved Q.C. When ordering motors with the home position switch, the part number should be preceded by an S. Contact Haydon Kerk Motion Solutions for additional ordering information. Activation force of 10 oz required, therefore may not be appropriate for smaller can-stack actuators.

    Technical Data:

    Contact Ratings (Standard): 1.00 AMP @ 120 VAC
    1.00 AMP @ 28 VDC
    Operating Temperature: -30°C to +55°C (-22°F to 131°F)
    Contact Resistance: < 20 milliohms typ. initial at 2-4 V DC, 100 mA
    Electrical Life: Tested to 60,000 make-and-break cycles at full load
    Schematic:
    Home Switch
    Multiple contact options available
     Proximity Sensor
    Haydon offers a miniature hall effect sensor capable of monitoring the end position of Can-Stack and Hybrid captive linear actuators.The sensor incorporates a hall effect device, which is activated by a rare earth magnet embedded in the end of the internal screw. The compact profile of the sensor allows for installation in limited space applications.The sensor has virtually unlimited cycle life. Special cabling and connectors can be provided. Haydon's end of stroke proximity sensor, and all Haydon Kerk Motion Solutions products are backed by a technical team which provides extensive customer support and applications assistance.

    Technical Data:

    Supply Voltage (VDC): 3.8 min. to 24 max.
    Current consumption: 10 mA max.
    Output voltage (operated) 0.15 typ., 0.40 max.; Sinking 20 mA max.
    Output current 20 mA max.
    Output leakage current (released) 10µA max. @ Vout = 24 VDC; Vcc = 24 VDC
    Output switching time
    Rise, 10 to 90%: .05 µs typ., 1.5 µs max. @ Vcc = 12 V, RL = 1.6 KOhm Fall, 90 to 10%: .15 µs typ., 1.5 µs max. @ CL = 20 pF
    Temperature -40 to 150C
     Suggested Interface Diagram
    Note: Sensor is category 2 ESD sensitive per DOD-STD-1686A. Assembly operations should be performed at workstations with conductive tops and operators grounded.

    PLEASE NOTE THAT A PULL-UP RESISTOR IS REQUIRED FOR THE SENSOR TO OPERATE CORRECTLY.


    Please note: Metric numbers are for reference only.

  • Wiring Diagram and Stepping Sequence +


    Hybrid Wiring
    Stepping Sequence- Hybrid Linear Actuator

    Bipolar Q2-Q3 Q1-Q4 Q6-Q7 Q5-Q8
    Unipolar Q1 Q2 Q3 Q4
    Step . . . .
    1 ON OFF ON OFF
    2 OFF ON ON OFF
    3 OFF ON OFF ON
    4 ON OFF OFF ON
    1 ON OFF ON OFF
  • Part Number Guide +



    E

    43

    M

    G

    C

    -

    2.33

    -

    910

    Prefix
    (include only when
    using the following)

    Series Number
    Designation

    Style

    Coils

    Code ID
    Resolution Travel/Step


    Voltage


    Suffix

    A=A Coil (See AC Synchronous Data Sheet)
    E=External
    K=External with
    40° thread form
    P=Proximity Sensor
    S=Home Position
    Switch

    43=43000 (Series numbers
    represent approximate width of motor body)

    L=1.8° Non-captive
    M=1.8° Captive or External (use “E” or “K” Prefix for External version)

    4=Bipolar
    (4 wire)

    G=IDEA Drive (Size 17, 43000 Series, Bipolar only)


    B=.000625-in (.0158)
    C=.00125-in (.0317)
    Y=.0025-in (.0635)
    AG=.00375-in (.0953)
    Z=.005-in (.127)


    2.33=2.33 VDC
    05=5 VDC
    12=12VDC
    Custom V available


    Example:
    910=1in
    (Refer to Stroke chart on Captive motor series product page.)
    Suffix also represents:
    800=Metric
    900=External Linear with grease and flanged nut–XXX=Proprietary suffix assigned to a specific customer application. The identifier can apply to either a standard or custom part.


    NOTE: Dashes must be included in Part Number (–) as shown above. For assistance call our Engineering Team at 203 756 7441.


  • Product Change Notifications +


    Description of Change:
    Change to a lower viscosity epoxy material to allow the use of an automated machine instead of a manual application.


    Click below for more information:
    Process Change Notice - PCN040317-01