AmetekHaydonKerk AmetekAMS
Skip to content

Size 8 21mm Double Stack

Size 8 Double Stack Stepper Motor Linear Actuator
The Size 8 double stack by Haydon Kerk Motion Solutions is a 21mm stepper motor linear actuator.  Size 8, 21000 double stack series linear actuators are available in three designs - captive, non-captive and external linear versions.  Available in a variety of resolutions, ranging from 0.0025mm to 0.04mm per step.  The size 8 double stack series stepper motor linear actuator delivers force of up to 17 lbs (75N).  Typical applications include medical equipment, semiconductor handling, valve control, X-Y tables, hand held instruments, or wherever precise linear motion is required.

  • Specifications +


    Part No. Captive 21M4(X)-V
    Non-captive 21L4(X)-V
    External Lin. E21M4(X)-V
    Wiring Units Bipolar
    Step Angle
    Degree 1.8° 
    Winding Voltage VDC 2.5 5 7.5
    Current/Phase A rms 1.32 0.65 0.43
    Resistance/Phase ohms () 1.9 7.7 1.73
    Inductance/Phase mH 0.8 3.2 6.1
    Power Input Watts 6.5
    Rotor Inertia
    gcm2 2.6
    Insulation Class Class B (Class F available)
    Weight oz (g) 2.4 (68)
    Insulation resistance M() 20
    Standard motors are Class B rated for a maximum temperature of 130°C (155°C for Class F)
    Linear Travel / Step
    Screw Ø inches mm Code ID
    0.14" (3.56 mm) 0.000098* 0.0025 AA
    0.00012 0.0030*  N
    0.00019* 0.005  AB
    0.00024 0.006* K
    0.00039* 0.01 AC
    0.00048 0.0121* J
    0.00078* 0.02 AD
    0.00157* 0.04 AE
    * Values Truncated
  • Dimensional Drawings +


    CAPTIVE STEPPER MOTOR

    Size 8 Double Stack Series 21000
    Captive Lead-Screw Linear Actuator

    Size 8 Double Stack Captive Dwg 





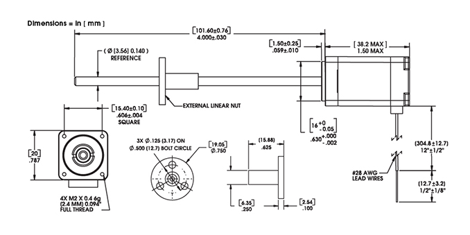
    NON-CAPTIVE STEPPER MOTOR

    Size 8 Series 21000 Non-Captive Linear Actuator

    Size 8 Double Stack Non-Captive Dwg




    EXTERNAL STEPPER MOTOR


    Size 8 Series 21000 External Linear Actuator

    Size 8 Double Stack External Linear Actuator Dwg
  • Performance Curves +


    FORCE vs. PULSE RATE
    Chopper, Bipolar, 100% Duty Cycle Ø .14 (3.56) Lead Screw
    8:1 Motor Coil to Drive Supply Voltage

    Size 8 Stepper Motor Force vs Pulse Curve

    FORCE vs. LINEAR VELOCITY
    Chopper, Bipolar, 100% Duty Cycle Ø .14 (3.56) Lead Screw
    8:1 Motor Coil to Drive Supply Voltage

    Size 8 Stepper Motor Force vs Velocity Curve


    * Care should be taken when utilizing these screw pitches to ensure that the physical load limits to the motor are not exceeded. Please consult the factory for advice in selecting the proper pitch for your application.

    NOTE:  All chopper drive curves were created with a 5 volt motor and a 40 volt power supply.

    Ramping can increase the performance of a motor either by increasing the top speed or getting a heavier load accelerated up to speed faster.  Also, deceleration can be used to stop the motor without overshoot.

    With L/R drives peak force and speeds are reduced, using a unipolar drive will yield a further 30% force reduction.
  • Lubrication Options +


    Haydon® Super Slick Greases

    Haydon offers a wide selection of greases designed to meet any application requirements.  Please contact Haydon Kerk Motion Solutions for assistance in selecting the most effective lubrication option.

    Grease Type Chemical Compatibility Temp. Range Comments Cost
    HSS-03
    Polyolester
    Good -54°C to +150°C
    Moderate Load
    $
    HSS-17 Synthetic Hydrocarbon Good -20°C to +125°C Standard $
    HSS-06 Perfluoropolyether Best -65°C to +250°C Tough Environments $$
    HSS-16 Perfluoropolyether Better -80°C to +204°C Vacuum compatible $$$
    HSS-20 Perfluoropolyether Best -65°C to +250°C High Repeatability $$$

    HSS-03

    is a light viscosity, polyolester based grease thickened with PTFE.  It is an economical alternative to premium PFPE (perfluoropolyether) types where low temperature performance is a primary requirement as it provides low starting torque.

    HSS-17

    is a medium viscosity synthetic hydrocarbon grease thickened with lithium soap.  It is fortified with EP (extreme pressure) modifiers to increase load carrying capabilities and TFE to increase lubricity and reduce friction.  Rated temperature capacity is -20°C to +125°C. HSS-17 has the highest load characteristics.

    HSS-06

    is a TFE thickened heavy viscosity perfluoropolyether grease.  It is designed to operate in chemically harsh environments and provides excellent operating properties for light to medium loads.  Rated temperature capacity is -65°C to +250°C. Standard on Hybrid Actuators.

    HSS-16

    is a perfluoropolyether grease developed for use in vacuum environments good to 4x10–13 torr at 20°C.  Rated temperature capacity is -80°C to +204°C.

    HSS-20

    is an ultrafiltered version of HSS-06, meaning that the grease it put through a ‘cleaning’ process to remove any particles greater than 35 microns in size.  It is designed for use when accuracy and repeatability are of utmost concern.

    Black Ice® and Kerkote® TFE Coatings 

    Black Ice and Kerkote TFE coatings are available in some of our actuator designs depending on the nut polymer used.  Please consult the applications engineering team to discuss lead screw nut / TFE coating compatibility.  

  • Encoders +


    All Haydon hybrid linear actuators are available with a specifically designed encoder for applications that require feedback. The compact optical incremental encoder design is available with two channel quadrature TTL squarewave outputs. An optional index is also available as a 3rd channel. The size 8 encoder provides resolutions for applications that require 250 and 300 counts per revolution.  The size 11, 14 and 17 encoder provides resolutions for applications that require 200, 400 and 1,000 counts per revolution.  The size 23 and 34 encoder is offered in resolutions of 200, 400, 1,000 and 2,000 counts per revolution. Encoders are available for all motor configurations — captive, non-captive and external linear.

    Simplicity and low cost make the encoders ideal for both high and low volume motion control applications. The internal monolithic electronic module converts the real-time shaft angle, speed, and direction into TTL compatible outputs. The encoder module incorporates a lensed LED light source and monolithic photodetector array with signal shaping electronics to product the two channel bounceless TTL outputs.

    Electrical Specifications

      Minimum 
    Typical 
    Maximum 
    Units 
    Input Voltage
    4.5 5.0 5.5 VDC
    Output Signals
    4.5 5.0 5.5 VDC
    • 2 channel quadrature TTL squarewave outputs
    • Channel B leads A for a clockwise rotation of the rotor viewed from the encoder cover
    • Tracks at speeds of 0 to 100,000 cycles/sec.
    • Optional index available as a 34d channel (one pulse per revolution).


    Single Ended Encoder Pinout Size 8

    Connector Pin # 
    Description 
     1 +5 VDC Power
    2 Channel A
    3 Ground
    4 Channel B


    Operating Temperature

    Minimum
    Maximum
    -10°C (14°F)  
    85°C (185°F) 


    Mechanical Specifications

      Maximum
    Acceleration 250,000 rad/sec2
    Vibration (5 Hz to 2 kHz)
    20g


    Resolution
    4 standard Cycles Per Revolution (CPR) or Pulses Per Revolution (PPR)

    CPR 
    250 300
    PPR
    1000 
    1200 

    Others are available

    Encoder Dimensional Drawing
    Dimensions = (mm) inches

    21mm 21000 Series Size 8

    Size 8 Linear Actuator Encoder
    Note A: Lead screw extends beyond encoder on specific captive and non-captive motors. External linear shaft extension is available upon request.

    Please note: Metric numbers are for reference only.

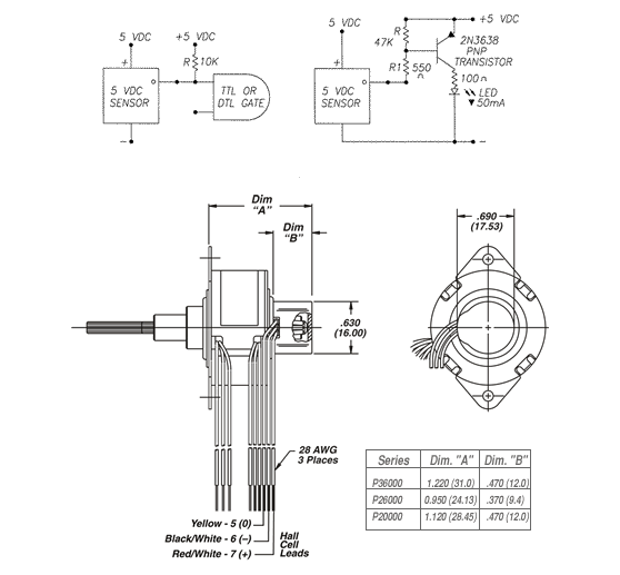
  • Home Position Switch and Proximity Sensor +


     Proximity Sensor
    Haydon offers a miniature hall effect sensor capable of monitoring the end position of Can-Stack and Hybrid captive linear actuators.The sensor incorporates a hall effect device, which is activated by a rare earth magnet embedded in the end of the internal screw. The compact profile of the sensor allows for installation in limited space applications.The sensor has virtually unlimited cycle life. Special cabling and connectors can be provided. Haydon's end of stroke proximity sensor, and all Haydon Kerk Motion Solutions products are backed by a technical team which provides extensive customer support and applications assistance.

    Technical Data:

    Supply Voltage (VDC): 3.8 min. to 24 max.
    Current consumption: 10 mA max.
    Output voltage (operated) 0.15 typ., 0.40 max.; Sinking 20 mA max.
    Output current 20 mA max.
    Output leakage current (released) 10µA max. @ Vout = 24 VDC; Vcc = 24 VDC
    Output switching time
    Rise, 10 to 90%: .05 µs typ., 1.5 µs max. @ Vcc = 12 V, RL = 1.6 KOhm Fall, 90 to 10%: .15 µs typ., 1.5 µs max. @ CL = 20 pF
    Temperature -40 to 150C
     Suggested Interface Diagram
    Note: Sensor is category 2 ESD sensitive per DOD-STD-1686A. Assembly operations should be performed at workstations with conductive tops and operators grounded.

    PLEASE NOTE THAT A PULL-UP RESISTOR IS REQUIRED FOR THE SENSOR TO OPERATE CORRECTLY.


    Please note: Metric numbers are for reference only.

  • Wiring Diagram and Stepping Sequence +


    Bipolar Wiring Diagram

    Stepping Sequence- Hybrid Linear Actuator

    Bipolar Q2-Q3 Q1-Q4 Q6-Q7 Q5-Q8
    Step . . . .
    1 ON OFF ON OFF
    2 OFF ON ON OFF
    3 OFF ON OFF ON
    4 ON OFF OFF ON
    1 ON OFF ON OFF
  • Part Number Guide +



    E

    21

    M

    4

    N

    -

    2.5

    -

    910

    Prefix
    (include only when
    using the following)

    Series Number
    Designation

    Style

    Coils

    Code ID
    Resolution Travel/Step


    Voltage


    Suffix

    A=A Coil (See AC Synchronous Data Sheet)
    E=External
    K=External with
    40° thread form
    P=Proximity Sensor

    21=21000 (Series numbers
    represent approximate width of motor body)

    L=1.8° Non-captive
    M=1.8° Captive or External (use “E” or “K” Prefix for External version)

    4=Bipolar
    (4 wire)


    AA*=.000098-in (.0025)

    N=.00012-in (.0030)

    AB=.00019-in (.005)

    K=.00024-in (.006)

    AC=.00039-in (.01)

    J=.00048-in (.0121)

    AD=.00078-in (.02)

    AE=.00157-in (.04)

    *TFE not available


    2.5=2.5 VDC

    05=5 VDC
    7.5=7.5VDC
    Custom V available


    Example:
    910=1in
    (Refer to Stroke chart on Captive motor series product page.)
    Suffix also represents:
    800=Metric
    900=External Linear with grease and flanged nut-XXX=Proprietary suffix assigned to a specific customer application. The identifier can apply to either a standard or custom part.


    NOTE: Dashes must be included in Part Number (–) as shown above. For assistance call our Engineering Team at 203 756 7441.