AmetekHaydonKerk AmetekAMS
Skip to content

BGS08 High load ball guide

The motorized BGS08 Linear Rail is available with size 23 hybrid stepper motor developing forces up to 1000 N (225 lbs). Rails can also be customized in stroke length, motor type, step angle, operating voltage and encoder. Contact an Applications Engineer for any technical support needed.


View and print BGS Rails Product Selection Chart.
  • Specifications +


    Lead Lead Code Design Load Screw Inertia
    Rail Series Motor Series in. (mm) lbs. (N) oz. in.sec.2/in. (Kgm2/m)
    BGS08B - M0098 - XXX E57H4 0.098 (2.50) 0098 225 (1,000) 6.7 x 10 -5 (4.8 x 10 -4)
    E57M4
    BGS08B - M0100 - XXX E57H4 0.100 (2.54) 0100 225 (1,000) 5.9 x 10 -5 (4.4 x 10 -4)
    E57M4
    BGS08B - M0197 - XXX E57H4 0.197 (5.00) 0197 225 (1,000) 6.2 x 10 -5 (4.5 x 10 -4)
    E57M4
    BGS08B - M0200 - XXX E57H4 0.200 (5.08) 0200 225 (1,000) 6.0 x 10 -5 (4.3 x 10 -4)
    E57M4
    BGS08B - M0500 - XXX E57H4 0.500 (12.7) 0500 225 (1,000) 5.5 x 10 -5 (4.0 x 10 -4)
    E57M4
    BGS08B - M0630 - XXX E57H4 0.630 (16.0) 0630 225 (1,000) 6.5 x 10 -5 (4.6 x 10 -4)
    E57M4
    BGS08B - M1000 - XXX E57H4 1.000 (25.4) 1000 225 (1,000) 6.1 x 10 -5 (4.4 x 10 -4)
    E57M4

    Size 23: 57 mm (2.3 in) Motor 1.8 degree
    Series
    E57H4-V E57M4-V
    Stack Length
    Single Double
    Wiring Units Bipolar Bipolar
    Step Angle degree 1.8° 1.8°
    Winding voltage VDC 3.25 5 12 3.25 5 12
    Current/Phase A rms 2 1.3 0.54 3.85 2.5 1.0
    Resistance/Phase ohms (Ω) 1.63 3.85 22.2  0.98 2.0 12
    Inductance/Phase mH 3.5 10.5 58 2.3 7.6 35
    Power Input Watts 13 25
    Motor Rotor Inertia gcm2 166 332
    Standard motors are Class B rated for a maximum temperature of 130°C (155°C for Class F)
  • Dimensional Drawings +


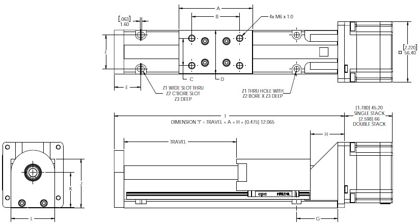
    BGS08 A B C D E F G H
    (inch) (2.70) (1.75) (1.00) (1.60) (0.975) (1.25) (1.50) (1.25)
    mm 68.6 44.5 25.4 40.6 24.8 31.8 38.1 31.8
    BGS08 I J K L Z1 Z2 Z3 0
    (inch) (*) (1.79) (1.30) (1.60) (0.20) (0.33) (0.19) 0
    mm * 45.4 33 40.6 5.1 8.4 4.8 0

    Motorized BGS08 with Size 23 Hybrid Motors

    Recommended for load support up to 225 lbs (1,000 N)

    Dimension “I” is a function of required travel distance

  • Lubrication +


    Kerk BGS Linear Guides have Black Ice® TFE on all critical surfaces.

    At the heart of the BGS Linear Rail system is a Haydon® hybrid linear actuator with a precision 303 stainless steel lead-screw. The lead screw drives a machined aluminum carriage mounted to a precision stainless steel ball slide resulting in a rigid, smooth operating motion system. The screw is coated with Black Ice® TFE coating providing a permanent wearresistant dry lubrication.

    303 Stainless Steel lead-screws and guide rails are corrosion resistant, non-magnetic, and compatible with many demanding processes. Black Ice® TFE s a maintenance free, hard coating that offers exceptional durability in all types of environments, with virtually any type of polymer nut. Black Ice TFE coating remains on the screw, offering a low friction surface upon which the nut travels. Rather than acting as a dry lubricant, Black Ice TFE is an anti-friction coating whose surface properties displace the metal to which it is applied. Though it is not intended for use with metal or glass fiber reinforced nuts, Black Ice TFE is bonded securely to the screw’s surface and can withstand abrasion from contamination, rigid polymer systems, fluid impingement and wash down applications. Black Ice TFE can be used in the presence of more aggressive environment conditions, or anywhere reduced friction and a permanent coating is desired.
  • Customize +


    Haydon Kerk can custom-design and manufacture unique motorized BGS linear rails solutions to your equipment requirements. Special motor attributes, rail lengths, multiple carriages, alternate lead screws, lubrication, encoders and integrated drives are just some of the typical adaptations engineered to customer needs. Every Haydon Kerk linear rail product is supported by an experienced technical team recognized for innovation, customization, and dedicated customer service.
  • Part Number Guide +



    BG

    S

    08

    B

    -

    M

    0197

    -

    XXX

    Prefix

    Frame Style

    Frame Size Load

    Coating

     

    Drive/

    Mounting

    Nominal Thread Lead Code

     

    Unique Identifier

    BG=

    Ball Guide System

    S=Standard

    08=225 lbs (1,000 N) (Maximum static load)

    B=TFE wear resist, dry lubricant Black Ice

     

    M=Motorized

     

    0197=.197-in (5.0)

    See Lead Code Chart

     

    Proprietary suffix assigned to a specific customer application. The identifier can apply to either a standard or custom part


    NOTE: Dashes must be included in Part Number (–) as shown above. For assistance call our Engineering Team at 203 756 7441.