AmetekHaydonKerk AmetekAMS
Skip to content

GR - Guide Rail

The GR Series Linear Guide Rail and Bushings are available in 4 sizes from 1/4” to ¾” (6.3 to 18.8mm) diameter. The assembly consists of a centerless ground and burnished stainless steel shaft mated with a Kerkite® composite polymer bushing. The material combinations have been selected so that thermal fluctuations have minimal effect on system performance. Additional lubricity and extended life can be obtained by using a low friction Kerkote® TFE coating on support shafts available in both stainless and alloy steel.
  • Specifications +


    Size
    Shaft Diameter
    Max Stroke
    Max Load
    Major Attribute
    Units
    mm m N  
    Guide Rail Rods and Bushing
    GR 04 6.35 0.9  5 Light load applications, low cost, minimal frictional drag and long wear life.
    GR 06 9.53 1.2  10
    GR 08 12.7 1.8  15
    GR 12 19.05 3.0  25
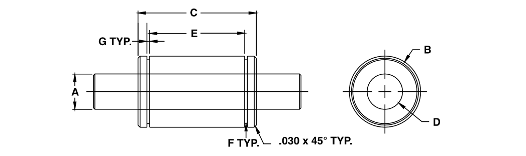
  • Dimensional Drawings +


    Please note: Metric numbers are for reference only.

    Standard Part Lengths Rail Diameter Rail Diameter w/TFE Bushing Outside Diam. Bushing Length Bushing Inside Diam. Snap Ring Groove Location Snap Ring Groove Diam. Snap Ring Groove Width Rail Chamfer Radial Load
    Rail Diameter Code

    A A B C D E F G H
    in ± .010
    (mm 0.25)
    in ± .0006
    (mm 0.015)
    in ± .0006
    (mm 0.015)
    in ± .0006
    (mm 0.015)
    in ± .010
    (mm 0.25)
    in ± .0005
    (mm 0.013)
    in +.010 –.000
    (mm 0.25)
    in ± .004
    (mm 0.100)
    in ± .0003
    (mm 0.008)
    in
    (mm)
    lbs
    (Kg)
    GR 04 6, 8, 10, 12 .2475 (6.287) .2472 (6.279) .5000 (12.700) .765 (19.43) .2485 (6.311) .535 (13.59) .450 (11.43) .040 (1.02) .020 (.51) 5 (2.3)
    GR 06 6, 12, 15, 18 .3715 (9.436) .3712 (9.428) .7500 (19.050) 1.275 (32.39) .3725 (9.462) .995 (25.27) .676 (17.17) .046 (1.17) .020 (.51) 10 (4.5)
    GR 08 12, 15, 18, 24 .4965 (12.611) .4962 (12.603) 1.0000 (25.400) 1.660 (42.16) .4975 (12.637) 1.330 (33.78) .900 (22.86) .046 (1.17) .020 (.51) 15 (6.8)
    GR 12 18, 24, 36 .7415 (18.834) .7412 (18.826) 1.2500 (31.750) 2.036 (51.72) .7425 (18.860) 1.620 (41.15) 1.125 (28.60) .058 (1.47) .030 (.76) 25 (11.4)
  • Lubrication +


    Kerk Guide Rail GR assembly consists of a centerless ground and burnished stainless steel shaft mated with a Kerkite® composite polymer bushing. The material combinations have been selected so that thermal fluctuations have minimal effect on system performance. Additional lubricity and extended life can be obtained by using a low friction Kerkote® TFE coating on support shafts available in both stainless and alloy steel.

    Kerkote TFE is a soft coating, a long-term dry lubricant that is optimized for softer plastics like acetyls and nylons, with or without mechanical reinforcement. Lubrication to the bushing / shaft interface occurs by the bushing picking up Kerkote TFE particles from the coating as well as from the migration of the internal lubricant within the plastic.
  • Customize +


    Haydon Kerk can custom-design and manufacture unique guide rail solutions for your equipment requirements. Special rail lengths, multiple carriages, alternate lead screws, and lubrication are just some of the typical adaptations engineered to customer needs. Every Haydon Kerk linear rail product is supported by an experienced technical team recognized for innovation, customization, and dedicated customer service.
  • Part Number Guide +



    GR

    A

    P

    04

    1

    K

    -

    08

    -

    XXX

    Prefix

    Nut Style

    Mounting

    Rail Diameter

    Number of Bushings per Rail

    Coating


    Length in Inches

     

    Unique Identifier

    GR=Guide Rail

    A=Assembly
    B=Bushing only
    S=Shaft only

    G=Snap ring groove
    P=Plain (no features)
    S=Shaft only
    X=Custom

    02=1/8-in
    04=1/4-in
    06=3/8-in
    08=1/2-in
    12=3/4-in

     

     

    0
    1
    2
    3
    4
    5

    Use “0” for Shaft only and “1” if Bushing only

    S=Uncoated
    K=Kerkote
    B=Black Ice
    N=Bushing only


    (Rounded up)

    Example:
    06=6-in
    08=8-in
    00=Bushing only

     

    Proprietary suffix assigned to a specific customer application. The identifier can apply to either a standard or custom part.


    NOTE: Dashes must be included in Part Number (–) as shown above. For assistance call our Engineering Team at 203 756 7441.