AmetekHaydonKerk AmetekAMS
Skip to content

LRS04

The Motorized LRS04 Linear Rail is available with a size 17 hybrid stepper motor developing forces up to 222 N (50 lbs). Size 17 stepper motors are also available with the integrated IDEA Drive. Rails can also be customized in stroke length, lead, screw coatings and nut style. Contact an Applications Engineer for any technical support needed.


Videos:
IDEA Drive Product Spotlight
Introduction to the IDEA Drive
  • Specifications +


    Lead Lead Code Design Load Screw Inertia
    Rail Series Motor Series in. (mm) lbs. (kg) oz. in.sec.2/in. (Kgm2/m)
    LRX04B - M0025 - XXX E43H4 0.025 (0.635) 0025 50 (222) 5.1 x 10 -5  (3.7 x10-5)
    E43M4
    LRX04B - M0031 - XXX E43H4 0.031 (0.794) 0031 50 (222) 4.4 x 10 -6 (3.2 x 10 -5)
    E43M4
    LRX04B - M0039 - XXX E43H4 0.039 (1.00) 0039 50 (222) 4.1 x 10 -6 (3.0 x 10 -5)
    E43M4
    LRX04B - M0050 - XXX E43H4 0.050 (1.27) 0050 50 (222) 4.2 x 10 -6 (3.0 x 10 -5)
    E43M4
    LRX04B - M0063 - XXX E43H4 0.063 (1.588) 0063 50 (222) 3.4 x 10 -6 (2.5 x 10 -5)
    E43M4
    LRX04B - M0079 - XXX E43H4 0.079 (2.00) 0079 50 (222) 3.4 x 10 -6 (2.5 x 10 -5)
    E43M4
    LRX04B - M0100 - XXX E43H4 0.100 (2.54) 0100 50 (222) 4.1 x 10 -6 (3.0 x 10 -5)
    E43M4
    LRX04B - M0125 - XXX E43H4 0.125 (3.175) 0125 50 (222) 4.1 x 10 -6 (3.0 x 10 -5)
    E43M4
    LRX04B - M0197 - XXX E43H4 0.197 (5.00) 0197 50 (222) 3.5 x 10 -6 (2.5 x 10 -5)
    E43M4
    LRX04B - M0250 - XXX E43H4 0.250 (6.35) 0250 50 (222) 3.4 x 10 -6 (2.4 x 10 -5)
    E43M4
    LRX04B - M0394 - XXX E43H4 0.394 (10.0) 0394 50 (222) 3.4 x 10 -6 (2.5 x 10 -5)
    E43M4
    LRX04B - M0500 - XXX E43H4 0.500 (12.7) 0500 50 (222) 3.4 x 10 -6 (2.5 x 10 -5)
    E43M4
    LRX04B - M0750 - XXX E43H4 0.750 (19.05) 0750 50 (222) 3.4 x 10 -6 (2.5 x 10 -5)
    E43M4
    LRX04B - M1000 - XXX E43H4 1.000 (25.4) 1000 50 (222) 3.4 x 10 -6 (2.5 x 10 -5)
    E43M4

    Size 17: 43 mm (1.7 in) Motor 1.8 degree
    Series
    E43H4-V E43M4-V
    Stack Length
    Single Double
    Wiring Units Bipolar Bipolar
    Step Angle degree 1.8° 1.8°
    Winding voltage VDC 2.33 5 12  2.33 5 12
    Current/Phase A rms 1.5 0.7 0.29 2.6 1.3 0.55
    Resistance/Phase ohms (Ω) 1.56 7.2 41.5 0.9 3.8 21.9
    Inductance/Phase mH 1.9 8.7 54 1.33 8.21 45.1
    Power Input Watts 7 10.4
    Motor Rotor Inertia gcm2 37 78
    Standard motors are Class B rated for a maximum temperature of 130°C (155°C for Class F)
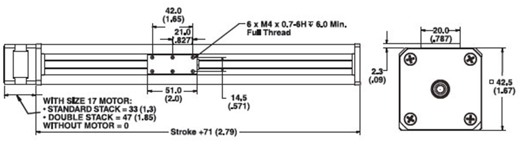
  • Dimensional Drawings +


    Please note: Metric numbers are for reference only.

    Dimensions = (inches) mm



  • Lubrication +


    Kerk LRS Linear Guides optional Black Ice TFE coating.

    The lead screw is made from 303 stainless steel and can be configured with optional Black Ice TFE coating for durable and permanent lubrication. The LRS Linear Rail system comes standard with a general purpose lead screw nut, but for extreme control, the system can be configured with an optional Kerk CMP or WDG precision anti-backlash nut.

    303 Stainless Steel lead-screws and guide rails are corrosion resistant, non-magnetic, and compatible with many demanding processes.

    Black Ice® TFE s a maintenance free, hard coating that offers exceptional durability in all types of environments, with virtually any type of polymer nut. Black Ice TFE coating remains on the screw, offering a low friction surface upon which the nut travels. Rather than acting as a dry lubricant, Black Ice TFE is an anti-friction coating whose surface properties displace the metal to which it is applied. Though it is not intended for use with metal or glass fiber reinforced nuts, Black Ice TFE is bonded securely to the screw’s surface and can withstand abrasion from contamination, rigid polymer systems, fluid impingement and wash down applications. Black Ice TFE can be used in the presence of more aggressive environment conditions, or anywhere reduced friction and a permanent coating is desired.
  • Integrated Drives +


    Please note: Metric numbers are for reference only.

    Motorized LRS04 Linear Rail with 43000 Series Size 17 Motor and IDEA Drive

    The LRS04 motorized rails are available with an integrated IDEA Drive when selecting the 43000 Series Size 17 bipolar motor.
    • Fully programmable
    • USB or RS-485 Communication
    • Microstepping Capability - Full, 1/2, 1/4, 1/8, 1/16, 1/32, 1/64
    • Graphic User Interface
    • Auto-population of Drive Parameters
    • Programmable Acceleration / Deceleration and Current Control
    • Available with standard motorized leads
    • Available in 2.33 Vdc windings. Contact Haydon Kerk for higher voltage windings
    • RoHS compliant

    For general IDEA Drive Features and Specifications click here.

    Dimensional Drawing:

    **Values Truncated
  • Customize +


    Haydon Kerk can custom-design and manufacture unique motorized RGS linear rails solutions to your equipment requirements. Special motor attributes, rail lengths, multiple carriages, alternate lead screws, lubrication, encoders and integrated drives are just some of the typical adaptations engineered to customer needs. Every Haydon Kerk linear rail product is supported by an experienced technical team recognized for innovation, customization, and dedicated customer service.
  • Part Number Guide +



    LR

    W

    04

    B

    -

    M

    0025

    -

    XXX

    Prefix

    Frame Style

    Frame Size Load

    Coating

     

    Drive/

    Mounting

    Nominal Thread Lead Code

     

    Unique Identifier

    LR=

    Linear Rail System (LRS)

    B=BFW nut
    C
    =CMP nut W=WDG nut G=Guide only

    04=50 lbs (222 N) (Maximum static load)

    S=Uncoated
    B=Black Ice TFE
    N=No screw

     

    A=None
    M=Motorized
    G
    =IDEA Integrated programmable drive – USB communications

    J=IDEA integrated programmable drive – RS485 communications

    0000=No Screw
    0025=.025-in (.635)
    0031=.03125-in (.794)
    0039=.039-in (1.00)
    0050=.050-in (1.27)
    0063=.0625-in (1.59)
    0079=.079-in (2.00)
    0100=.100-in (2.54)
    0125=.125-in (3.175)
    0197=.1969-in (5.0)
    0250=.250-in (6.35)
    0394=.394-in (10.00)
    0500=.500-in (12.70)
    0750=.750-in (19.05)
    1000=1.0-in (25.4)

     

    Proprietary suffix assigned to a specific customer application. The identifier can apply to either a standard or custom part


    Carriage holes available in Metric sizes
    M3
    M4
    M5
    M6

    NOTE: Dashes must be included in Part Number (–) as shown above. For assistance call our Engineering Team at 203 756 7441.