AmetekHaydonKerk AmetekAMS
Skip to content

WGS06

The Non-Motorized WGS06 Linear Rail is available with two different drive input options, drive shaft only or inline NEMA motor mounts. Contact an Applications Engineer for any technical support needed. 
  • Specifications +


    Lead Lead Code Typical Drag Torque Torque to Move Load Design Load Screw Inertia
    Rail Series in. (mm) oz.-in. (Nm) oz. in./lbs. (NM/kg) lbs. (kg) oz. in.sec.2/in. (Kgm2/m)
    WGS06K - A0100 - XXX .100 (2.54) 100 4.0 (.03) 1.0 (.016) 35 (156) 1.5 x 10-5   (4.2 X 10-6)
    WGS06K - A0200 - XXX .200 (5.08) 200 5.0 (.04) 1.5 (.023) 35 (156) 1.5 x 10-5   (4.2 X 10-6)
    WGS06K - A0500 - XXX .500 (12.70) 500 6.0 (.04) 2.5 (.039) 35 (156) 1.5 x 10-5   (4.2 X 10-6)
    WGS06K - A1000 - XXX 1.000 (25.40) 1000 7.0 (.05) 4.5 (.070) 35 (156) 1.5 x 10-5   (4.2 X 10-6)

    WGS Performance

    WGS Linear Rail Performance
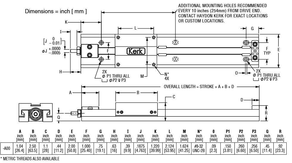
  • Dimensional Drawings +


    Please note: Metric numbers are for reference only.


    WGS Standard Series


    WGS Standard Series Dimensional Drawing


    WGS with Size 17 and Size 23 Motor Mounts

    WGS with Size 17 and Size 23 Motor Mounts Dimensional Drawing
  • Lubrication +


    Kerk WGS Linear Guides have Kerkote® TFE on all critical surfaces. The WGS utilizes sliding plane bearings on a low profile aluminum guide rail that keeps the motion smooth throughout the travel distance. The lead-screw is precision-made of high-quality stainless steel. All moving surfaces include Kerkite® high performance polymers running on Kerkote® TFE coating.

    Kerkote TFE is a soft coating, a long-term dry lubricant that is optimized for softer plastics like acetyls and nylons, with or without mechanical reinforcement. Lubrication to the nut / lead screw interface occurs by the nut picking up Kerkote TFE particles from the coating as well as from the migration of the internal lubricant within the plastic nut. The lubricant, although solid, also has some “spreading” ability as in fluid lubricants. Kerkote TFE coated screws provide the maximum level of self-lubrication and should not be additionally lubricated or used in environments where oils or other lubricant contamination is possible.
  • Customize +


    Haydon Kerk can custom design and manufacture unique motorized WGS linear rails solutions to your equipment requirements. Special motor attributes, rail lengths, multiple carriages, alternate lead screws, lubrication, encoders and integrated drives are just some of the typical adaptations engineered to customer needs. Every Haydon Kerk linear rail product is supported by an experienced technical team recognized for innovation, customization, and dedicated customer service.
  • Part Number Guide +



    WG

    S

    06

    K

    -

    A

    0100

    -

    XXX

    Prefix

    Frame Style

    Frame Size Load

    Coating

     

    Drive/

    Mounting

    Nominal Thread Lead Code

     

    Unique Identifier

    WG=

    Rapid Guide Screw

    S=Standard

    06=35 lbs (156 N) (Maximum static load)

    K=TFE Kerkote
    X=Special (example: Kerkote with grease)

     

    A=None
    B=In-line screw motor mount

    0050=.050-in
    (1.27)

    0079=.079-in
    (2.00)

    0100=.100-in
    (2.54)

    0157=.157-in
    (4.00)

    0197=.197-in
    (5.00)

    0200=.200-in
    (5.08)

    0250
    =.250-in (6.35)
    0375=.375-in (9.53)
    0400=.400-in (10.16)
    0472=.472-in (12.00)
    0500=.500-in (12.70)
    0750=.750-in (19.05)
    0984=.984-in (25.00)
    1000=1.000-in (25.4)
    1200=1.200-in (30.48)

     

    A00=Without Motor Mount
    B43=Motor Mount for Size 17
    B57=Motor Mount for Size 23

    Proprietary suffix assigned to a specific customer application. The identifier can apply to either a standard or custom part


    Carriage holes available in Metric sizes
    M3
    M4
    M5
    M6

    NOTE: Dashes must be included in Part Number (–) as shown above. For assistance call our Engineering Team at 203 756 7441.