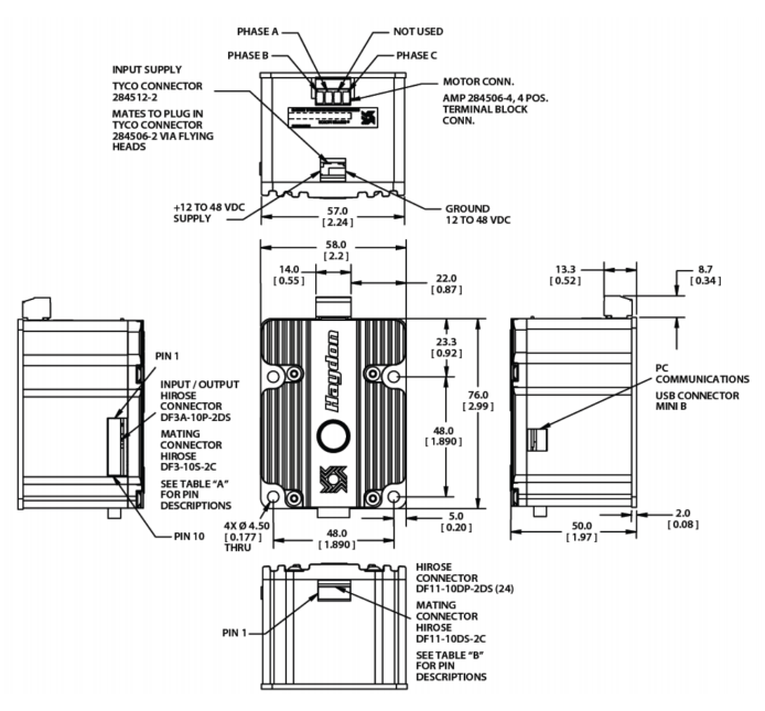
The Pittman PBL4850E IDEA
TM Drive brushless motor controller is a servo drive and fully programmable control unit which will simplify your machine building experience. An intuitive patent-pending Graphic User Interface (GUI) removes the complexity of programming while support tools simplify its quick integration.
Features :
- RoHS Compliant
- Stand-alone drive unit
- Programming done through Graphic User Interface (GUI)
- Automatic population of motor and drive parameters
- Programmable Speed / Current / Accel-Decel / Current Boost / Interrupts / I/O
- Sinusoidal commutation
- USB Communication protocol
- Movement Profile Plotter
- Interactive Program Debug Feature
- Optional motor cables

Additional Video:
Introduction to the IDEA Drive