AmetekHaydonKerk AmetekAMS
Skip to content

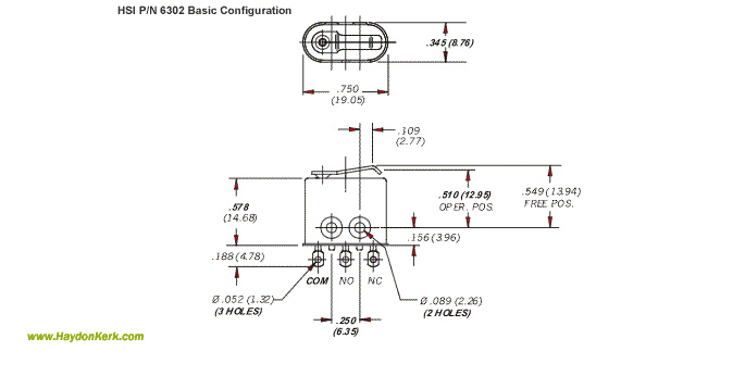
6300 Series

Haydon_6300_Series_Hermetically_Sealed_Switch

6300 Series hermetically sealed switches are designed for high reliability in extreme environments. This switch is used on military and commercial aircraft and in aerospace including the NASA shuttle program. Applications include valve limit switches, engine starters, overspeed switches, pressure switch and thrust reverser limit switches.

The metal corrosion resistant housing withstands most media and allows immersion of the switch in fluids such as synthetic hydraulic oils and jet fuels. The switch may be used in applications where external pressures are as high as 50 PSI (3.4 atmospheres). The 6300 series switch features an extremely low leak rate of 1x10-8 atm cc/sec. The switch enclosure can experience extremes of temperature pressure and media while the internal switch mechanism operates in a contaminant free environment of inert gas.

Contacts can be made of fine silver, gold alloy or platinum depending upon the application. Typically silver contacts are used up to 300°F and platinum contacts are used for up to 500°F. Gold alloys are used for low level applications which range from 10 milliamps at 30 milli volts up to 500 milliamps at 30 VDC.
 

Assemblies Available
Series 6300 hermetically sealed switches may be actuated with a variety of assemblies. Typical assemblies include pushbutton, leaf, roller leaf and toggle. Standard assemblies may be modified to meet special mounting requirements. HSI can also design custom assemblies to meet specific application requirements.
  • Specifications +


    Mechanical Characteristics - 6300 Series Hermetically Sealed Switch

    Maximum Operating Force

    26 oz. (7.23 N)

    Minimum Release Force

    6 oz. (1.67 N)

    Movement Differential

    .020" (0.508 mm)

    Weight

    .32 oz. (9.07 g)

    Overtravel Stop

    .010" available (0.254 mm)


    Electrical Characteristics - 6300 Series Hermetically Sealed Switch

    Electrical Rating

    28VDC/115VAC, 400 Hz

    Resistive

    5 Amps

    Inductive

    3 A mps

    Dielectric Withstanding Voltage

    1000V rms at sea level for 1 minute or 1250V rms for 1 second with maximum leakage current 0.5 milliamperes. Can be supplied to meet 1500V rms withstand voltage with reduction in life.

    Contact Arrangement

    SPDT


    Environmental Characteristics - 6300 Series Hermetically Sealed Switch

    Temperature Range

    -85°F to 300°F (-65°C to 149°C)
    -85°F to 500°F (-65°C to 260°C) / -320°F (-196°C)* Special Order

    Shock

    100g for 6 ± 1 ms

    Vibration

    10 - 2000 Hz 20g peak (50g on special order)

    Ambient Pressure

    High Vacuum (negative) to 50 PSI (positive) 3.4 atmospheresI

    Military Specification

    MIL-PRF-8805

  • Dimensional Drawings +

  • Typical Assemblies +