AmetekHaydonKerk AmetekAMS
Skip to content

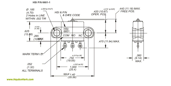
6600 Series

Haydon_6600_Series_Hermetically_Sealed_Switch

6600 Series switch is designed for harsh environments where long life hermetic seal integrity of the switch is critical. The 130,000 cycle minimum hermetic life of the switch equates to life of aircraft reliability for many applications.

The rugged design and construction incorporates a metal bellows to insure durability of the actuation mechanism. The switch housing is backfilled with inert Nitrogen gas and sealed. Hermetic sealing is maintained per category 5 of MIL-PRF-8805 i.e. 1x10-8 atm cc/sec. The corrosion resistant housing withstands most media and allows exposure of the switch to fluids such as synthetic hydraulic oils and jet fuels.

The switch has been designed to operate below 5 mA at 28 VDC in temperatures as high as 400° F. By changing contact material the switch can be configured for 5 Amp operation.

Assemblies Available
The 6600 series switches are available in a wide variety of actuator assemblies. Typical assemblies include leaf actuators, roller leaf assemblies and plunger actuators. Haydon Kerk Motion Solutions can also provide customization assemblies to meet specific operational requirements.
  • Specifications +


    Mechanical Characteristics - 6600 Series Hermetically Sealed Switch

    Maximum Operating Force

    22 oz. (6.12 N)

    Minimum Release Force

    3 oz. (.835 N)

    Movement Differential

    .005" (0.13 mm)

    Weight

    .5 oz. (14.2 g)

    Overtravel Stop

    .006" available (0.15 mm)


    Electrical Characteristics - 6600 Series Hermetically Sealed Switch

    Electrical Rating

    28VDC/115VAC, 400 Hz

    Resistive

    5 Miliamps

    Dielectric Withstanding Voltage

    1000V rms at sea level for 1 minute or 1250V rms for 1 second with maximum leakage current 0.5 milliamperes. Can be supplied to meet 1500V rms withstand voltage with reduction in life.

    Contact Arrangement

    SPDT

    Contact Gap

    .015" (.381 mm) Minimum


    Environmental Characteristics - 6600 Series Hermetically Sealed Switch

    Temperature Range

    -65°F to 400°F (-54°C to 204°C) continuous

    Shock

    100g for 6 ± 1 ms

    Vibration

    10 - 2000 Hz 20g peak

  • Dimensional Drawings +